|
一、2SK型水環式真空泵概述:
2SK系列水環式真空泵相當于2臺SK系列水環真空泵串聯使用。
因SK系列水環真空泵只能達到-700mmHg的極限真空度,為達到較高真空及高真空下的較大抽氣速率,20世紀80年代國內開發了2SK系列真空泵。
隨著我公司生產的2BV及2BE系列新一代節能型產品的出現,2SK型水環式真空泵將逐漸被取代。
2SK-P1系列兩級水環真空泵-大氣噴射泵機組主要工作在絕壓10~50mmHg下,但其在高真空區效率較低,如需長期運行可選用 羅茨水環真空機組,如此可獲得高真空區抽氣最佳效率。
2SK型水環式真空泵和2SK-P1系列兩級水環真空泵—大氣噴射泵機組是用來抽吸空氣和其它無腐蝕性、不溶于水、不含有固體顆粒的氣體以便在密閉容器中獲得較高真空。
2SK型水環式真空泵被廣泛應用于食品、紡織、化工、醫藥和冶金工業及電子領域的真空蒸發、真空濃縮、真空回潮、真空浸漬、真空干燥及真空冶煉等。
2SK系列使用于吸入壓力低于-0.08MPa的工況條件,2SK-P1系列使用于吸入壓力低于-0.096MPa的工況條件。
二、2SK型水環式真空泵特點:
1、比較SK系列單級水環真空泵而言,具有真空度高、在高真空區抽速大等特點。
2、相同抽速率下,軸功率明顯高于2BV、2BE系列水環式真空泵。
3、因結構為雙葉輪結構,制造、維修較為復雜,易損件較多。 |
三、2SK型水環式真空泵的型號意義:
 |
| 四、2SK型水環式真空泵的性能參數表: |
型號 |
抽氣量
(m3/min) |
極限真空度
(MPa)
(毫米汞柱) |
功率
KW |
泵轉速
r.p.m |
供水量
(L/min) |
口徑
(mm) |
泵總重
(KG) |
建議替代
產品型號 |
最大 |
吸入壓力為
-0.093MPa
-700mmHg
時 |
進 |
出 |
2SK-1.5 |
1.5 |
0.9 |
-0.098
(-735) |
4 |
1440 |
10-15 |
40 |
40 |
200 |
2BV5110 |
2SK-3 |
3 |
2 |
7.5 |
1440 |
15-20 |
40 |
40 |
260 |
2BV5111 |
2SK-6 |
6 |
4 |
15 |
1460 |
25-35 |
50 |
50 |
460 |
2BV5131 |
2SK-12 |
12 |
8 |
22 |
970 |
40-50 |
100 |
100 |
850 |
2BE 202 |
2SK-20 |
20 |
14 |
45 |
740 |
60-80 |
125 |
125 |
1550 |
2BE252-660 |
2SK-30 |
30 |
20 |
55 |
741 |
60-80 |
125 |
125 |
1800 |
2BE 253-660 |
|
注:1、表中所列2SK型水環式真空泵性能指標及性能曲線指下列規定條件下的性能指標:
① 大氣壓力為0.1013MPa(760mmHg)
② 進水溫度15℃
③ 吸入空氣溫度20℃
④空氣相對溫度70%
2、供水量為吸入壓力-0.05MPa(-400mmHg)時的數值,極限真空時可大于此值。
3、性能允差±10% |
五、2SK型水環式真空泵的工作原理及指示圖:
2SK型水環式真空泵工作原理如圖一所示,葉輪(5)偏心地裝在泵體(3)內,當葉輪旋轉時,水受離心力的作用向四周甩出,在2SK型水環式真空泵體內壁與葉輪之間形成旋轉水環(6)。水環上部內表面與葉輪輪轂相接觸,當葉輪沿順時針方向轉動時,在前半轉的過程中,水環內表面逐漸與輪轂脫離,相鄰兩葉片之間所形成的空腔逐漸增大,被抽氣體通過泵進氣管(4),經月牙形吸氣孔(7)不斷被吸入空腔內;后半轉的過程中,水環內表面逐漸與輪轂接近,兩相鄰葉片之間空腔逐漸縮小,氣體被壓縮,因而壓力不斷增加,當壓力增加到大于外界壓力時,氣體被排出,從而不斷地抽走密封容器的氣體,使其形成一定的真空。 |
圖一:2SK型水環式真空泵工作原理指示圖
1.排氣管 2.出氣孔 3.泵體 4.進氣管 5.葉輪 6.水環 7.吸氣孔 |
六、2SK型水環式真空泵的結構說明:
①抽氣量1.5m3/min以上2SK水環真空泵的結構如圖二所示,長短兩葉輪17和16用鍵固定在軸2上,兩葉輪中間用軸套20定位,并用園螺母鎖緊,這就構成了整個轉子部分,并且偏心地安裝在泵體內,支承在兩個單列向心球軸承上,轉予部分用聯軸器18與電機軸相聯,使之與電機一起以同樣轉速轉動,長葉輪17、長泵體9和吸入部分組成高真空級,短泵體5、短葉輪16和排出部分組成低真空級,高真空級的排氣口和低真空級的吸入口用連通管聯接(2SK-1.5無此連通管)成為雙級串聯,兩級之間用中間壁(A)7和中間壁(B)6隔開,中間壁(A)上有排氣孔,中間壁(B)上有吸氣口。 |

圖二:抽氣量1.5m3/min(2SK—1.5)以上兩級水環泵結構圖
1、后軸承壓蓋 2、軸 3、軸承架 4、前后端蓋 5、短泵體 6、中間壁(B) 7、中間壁(A) 8、拉緊螺栓 9、長泵體 10、連通管 11、調整墊 12、油杯 13、前軸承壓蓋 14、填料壓蓋 15、后蓋園盤 16、短葉輪 17、長葉輪 18、泵聯軸器 19、電機聯軸器 20、軸套 21、進水孔 22、前蓋園盤 |
②2SK-0.4、2SK-0.8兩級水環真空泵結構如圖三所示,其高低真空級結構與圖二所示泵基本相同(無連通管)。采用特制加長軸電機,長、短葉輪用鍵固定于軸上,但可做軸向浮動,偏心地置于長短泵體內。
2SK水環真空泵兩端的密封采用油浸石棉盤根或機械密封。
高真空級的一端有進水孔,補充水由此進入高真空級的長泵體內,低真空級的補充水是由高真空級排出的。(2SK-12、2SK-20、 2SK-30低真空級的補充水也從供水管供入一部分,但要通過閥來調節其量的大小)。高、低真空級是由拉緊螺栓而牢固地連接在一起。 |

圖三:2SK-0.4、 2SK-0.8兩級水環真空泵結構圖
1.后蓋2.油杯3.軸承擋圈4.軸承壓蓋子5.填料壓蓋6.軸承架7.排氣圓盤8.短葉輪9.短泵體10.長泵體11.長葉輪12.吸氣圓盤13.前蓋14.進水孔15.底盤16.加長軸電機 |
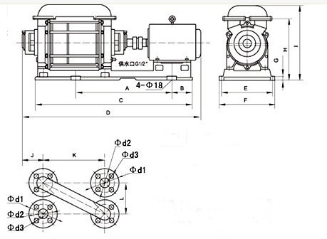
七、2SK型水環式真空泵的安裝尺寸圖:
①2SK-1.5、3、6兩級水環真空泵外形及安裝尺寸: |
型號 |
A |
B |
C |
D |
E |
F |
G |
H |
I |
J |
K |
L |
d1 |
d2 |
d3 |
2SK-1.5 |
598 |
132 |
938 |
1138 |
340 |
402 |
30 |
400 |
|
213 |
252 |
|
Φ140 |
Φ98 |
M12 |
2SK-3 |
698 |
192 |
1138 |
1348 |
380 |
462 |
30 |
435 |
523 |
216 |
348 |
160 |
Φ150 |
Φ110 |
Φ14 |
2SK-6 |
856 |
220 |
1388 |
1582 |
398 |
462 |
25 |
518 |
628 |
175 |
450 |
212 |
Φ160 |
Φ125 |
Φ14 |
|
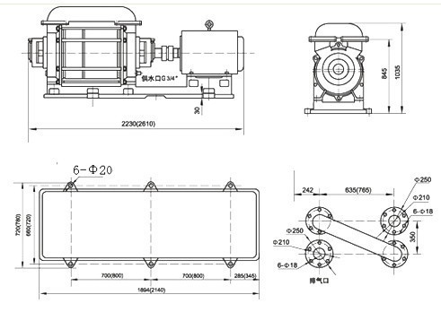
| ②2SK-12兩級水環真空泵外形及安裝尺寸: |
|
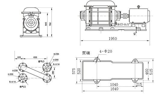
| ③2SK-20、30兩級水環真空泵外形及安裝尺寸: |
|
| 八、2SK型水環式真空泵的常見故障原因與解決辦法: |
故障 |
|
|
抽氣量不夠 |
1、間隙過大 |
1、調整間隙 |
| |
2、填料處漏氣 |
2、壓緊或更換填料 |
| |
3、水環溫度高 |
3、增加供水量 |
| |
4、管道系統漏氣 |
4、擰緊法蘭螺栓,更換墊片或補焊裂紋等。 |
真空度降低 |
1、管道系統方面 |
|
| |
①法蘭聯接處漏氣 |
1、①擰緊法蘭螺栓或更換墊片 |
| |
②管道有裂紋 |
②焊補或更換 |
| |
2、水環泵方面 |
|
| |
①填料漏氣 |
2、①壓緊填料更換新填料 |
| |
②葉輪與側蓋間隙過大 |
②更換墊片調整間隙 |
| |
③水環發熱 |
③降低供水溫度 |
| |
④水量不足 |
④增加供水量 |
| |
⑤零件摩擦發熱,造成水環溫度升高 |
⑤調整或重新安裝 |
振動或有響聲 |
1、地腳螺栓松動 |
1、擰緊地腳螺栓 |
| |
2、泵內有異物研磨 |
2、停泵檢查取出異物 |
| |
3、葉片脫落 |
3、更換葉輪 |
| |
4、氣蝕 |
4、打開吸入管道閥門 |
軸承發熱 |
1、潤滑油不足 |
1、檢查潤滑情況、加油 |
| |
2、填料壓的過緊 |
2、適當松開填料壓蓋 |
| |
3、沒供密封水或不足 |
3、供給密封水或增加水量 |
| |
4、軸承或軸或軸承架配合過緊,使滾珠與內外圈間隙過小,發生摩擦。 |
4、調整軸承與軸或軸承架的配合 |
起動困難 |
1、長期停機后,泵內生銹 |
1、用手或特制工具轉動葉輪數次 |
| |
2、填料壓緊 |
2、檸松填料壓蓋 |
| |
3、葉輪與泵體發生偏磨 |
3、重新安裝并調整 |
|
2SK型水環式真空泵選型須知:
一、請提供以下詳細數據:①2SK型水環式真空泵的產品名稱與型號②2SK型水環式真空泵的真空度要求單位PA或MPA③2SK型水環式真空泵抽速要求單位L/S或M3/MIN④2SK型水環式真空泵的使用與否和工作條件⑤2SK型水環式真空泵的電機功率(KW)⑥2SK型水環式真空泵的電機轉速(r/min)⑦2SK型水環式真空泵的電壓〔V〕⑧2SK型水環式真空泵的進出口口徑⑨2SK型水環式真空泵的材質要求⑩2SK型水環式真空泵是否帶附件,以便我們的為您正確選型。
二、若已經由設計單位選定我公司的2SK型水環式真空泵的產品型號,請按2SK型水環式真空泵型號直接向公司銷售部訂購。
三、當使用的場合非常重要或環境比較復雜時,請您盡量提供設計圖紙和詳細參數,由我們的技術專家為您選型確認。
上海飛魯真空泵廠有限公司主要真空泵產品有:旋片式真空泵系列、水環式真空泵系列、往復式真空泵系列、羅茨真空泵系列、滑閥式真空泵系列、水噴射真空泵系列、擴散泵系列、真空機組系列等泵類產品及真空泵配件,我公司擁有豐富的生產歷史,技術精良,產品質量穩定可靠,公司恪守“以誠信,市場,互利”的宗旨,重合同,守信用。為您提供優質的產品、良好的服務,做您忠實可靠的合作伙伴, 竭誠歡迎各界新老朋友前來光臨洽談合作!
我公司免費咨詢電話:400-021-5161
感謝您訪問我公司的網站,如有任何疑問.您可以致電給我們,我們一定會盡心盡力為您提供優質的服務。
相關水環式真空泵系列:
2BV型水環式真空泵
2BE型水環式真空泵
SK型水環式真空泵
SK型直聯水環式真空泵
2SK型水環式真空泵
SZ型水環式真空泵
SZB型水環式真空泵
|