一、2X型旋片式真空泵的概述:
2X型旋片式真空泵為雙級結構,它的工作性能由高壓級與低壓級二部分組成,它的吸入口與真空容器或真空設備連接,在運轉時容器內的氣體將大量吸入與排出。當設備獲得真空時,高壓級排氣閥片將封閉,高壓級吸入的氣體將轉送到第二級,并經第二級吸入與排出,這樣真空設備可獲得一定的真空。該泵的技術參數6×10-2pa。根據用戶使用情況,可配備真空增壓泵(例如羅茨真空泵),將2X型旋片式真空泵為前級泵,由于增壓泵的抽氣力加強,前級泵連續抽除,能使你的設備獲得更高的真空。
二、2X型旋片式真空泵的用途及適用范圍:
由于現代科學技術的高度發展,2X型旋片式真空泵的應用遍及各個科學領域和各種企業事業單位,其主要表現在:
1、可供冶金、化工、輕工、石油、醫療、制藥、印染、電器、電真空、半導體、食品、原子能、紡織等科研機關、大專院校、工礦企業作科研和生產與教學之用。
2、由于2X型旋片式真空泵是用黑色金屬制造,而且比較精密,整個泵的工作都是與油聯系在一起的,所以它不適用于抽除含氧過高的、有毒的、有爆炸性的浸蝕黑色金屬的和對真空油起化學作用的各種氣體,也不可做為壓縮機和輸送泵使使用。如有氣鎮裝置的泵,可抽除一定量的可凝汽體。
3、2X型旋片式真空泵可以用來直接獲得真空度在10-3托以下的真空作業,以及配合其它真空設備獲得真空度10-3托以上的真空作用之用。
4、2X型旋片式真空泵一般在不底于5℃的室溫及不高于90%的相對溫度的環境內使用。
可根據用戶使用情況,配備真空增壓泵,將該泵做為前級泵,組成羅茨旋片真空機組,由于增壓泵的抽氣力加強,前級泵連續抽除,能使你的設備獲得更高的真空。
三、2X型旋片式真空泵的型號意義:

四、2X型旋片式真空泵的主要技術參數:
|
2X型旋片式真空泵注意:
(1)真空度是指被抽容器內剩余氣體壓強,以分壓強為我廠出廠標準,總壓強為輔助標準,熱偶計測的是各種蒸汽和永久氣體的總壓強,而麥氏表只能測出永久氣體占的分壓強,故二表的數值有一定的差異。
(2)抽氣速率是根據幾何尺寸算出的在大氣壓強j時,實際抽速與幾何抽速基本相符合,在各種不同的壓強時,抽速有一定下降,抽速與壓力關系見下圖2X旋片式真空泵的性能曲線圖。
(3)溫升是指泵溫穩定后,在排氣閥門處的油的溫度與室溫之差。
(4)2X型旋片式真空泵型號表示方法:列2X—4,2代表雙級泵,X代表旋片式真空泵,一橫線后面的數字4代表每秒鐘的抽速。
五、2X型旋片式真空泵的性能曲線圖:

六、2X型旋片式真空泵的特點:
2X型旋片式真空泵是用來對抽除密封容器氣體而獲得真空的基本設備也是目前國內使用最廣泛的真空泵,有水冷和風冷兩種,本泵同國內同類產品相比具有真空度高,使用方便,安裝,維護簡單以及以下優點:
1.2X型旋片式真空泵設有氣鎮閥,可抽除少量水蒸氣;
2.旋片式真空泵的極限真空度高;
3.內裝強制進油,潤滑充分,性能可靠;
4.設有自動防返油雙重保險裝置;
5.保持進氣壓強為1.33×10Pa時仍可連續運轉;
6.不漏油、不噴油、不污染工作環境。
七、2X型旋片式真空泵的原理圖:
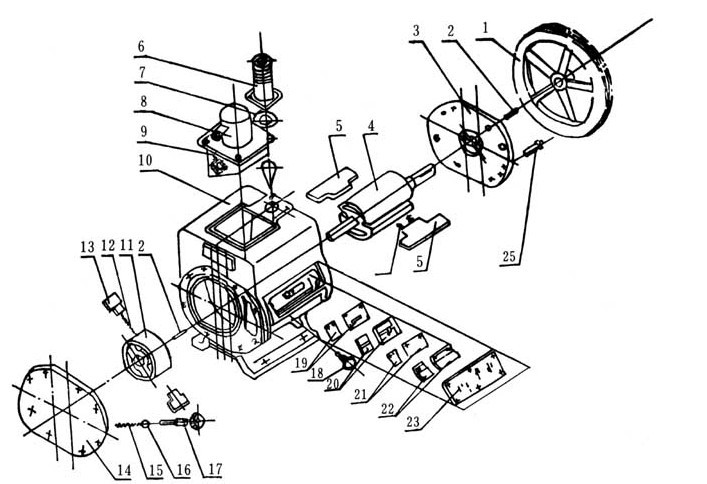
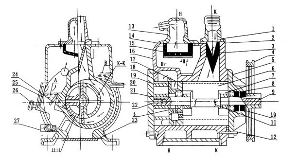
圖(1)是2X型旋片式真空泵的工作原理圖,轉子3及7與高真空室外1及低真空室6相切,轉子3及7沿箭頭方向旋轉,帶動轉子槽內滑動的轉片旋轉,由于彈簧9及離心力的作用, 轉片外端緊貼高低真空室的內表面滑動,把轉子與高低真空室所形成的月洼形空間從進氣嘴2到排氣閥門5和從過氣管4到排氣閥門10之間分隔開來,形成二或三個容積,并且周期性的大小變化,當在圖示旋片式真空泵位置繼續旋轉時A及C容積逐漸增大,被抽容積氣體沒進氣嘴進入泵內,同時B及D容積逐漸減少,壓力升高,隨后沖開排氣閥門5及10,將氣體排出真空室外,氣體經過油面而排于大氣之中,因為油是淹住排氣門的,故能防止氣體返回真空室。當抽氣壓強較高時,高低真空室的閥門都排氣,相當于單級泵,當真空度較高時,全部氣體進入真空室,再由排氣閥門10排出,此時二級串聯即進入雙級泵工作。
如被抽除的氣體中含有較高的蒸汽氣體時,在氣體受到壓縮而其蒸汽的分壓強超過此蒸汽在泵內溫度下的飽和壓強時,此時蒸氣被壓縮成為液體,旋片式真空泵無法排出,而混在真空油內,使泵的性能大大降低。如果摻入適量的空氣,使蒸汽在受到壓縮時,其分壓強也低于泵溫的飽和壓強,則蒸汽在變成液體前就能被排出泵外去,故本系列2X-4以上的旋片式真空泵都裝有能放入一定量氣體的摻氣閥11見圖(1)。
|
九、2X型旋片式真空泵的使用說明:
1、查看油位。油位應在油標中心,油位過低,對排氣閥不能密封,影響真空度;油位過高,會引起起動時噴油。運轉前,先將三角帶脫下,將電機轉向校正后,再起動,以免噴油。運轉時,油位略有升高,屬正常現象。油量不足時,采用l號真空泵油,從加油孔加入。油需經過濾,以免雜物進入,堵塞油孔。
2、2X型旋片式真空泵泵口如裝接真空閥,應與泵同時動作.
3、2X型旋片式真空泵泵腔內的油壓至油箱內,然后再正式起動運轉。
4、環境溫度較高時,油溫升高,粘度下降,飽和蒸汽增大,會引起極限真空下降,應加強通風散熱。
5、檢查泵的極限真空,應采用壓縮式水銀真空計。真空計應與泵口直接接通,運轉30分鐘內,將達到極限真空。
6、2X型旋片式真空泵停泵前應先關閉吸氣口處閥門,與真空系統隔絕,然后停泵。
7、帶有氣鎮閥的泵如在抽吸氣體中含有較多的可凝性蒸汽時,要打開氣鎮閥。
十、2X型旋片式真空泵的維護保養:
1、2X型旋片式真空泵在工作中注意事項:
(1)旋片真空泵須經常保持清潔,泵上不得放置其他物件。
(2)注意皮帶松緊是否適當,第半年年調整一次。
(3)管道接頭是否漏氣,及時杜絕。
2、旋片真空泵連續工作三月至半年之后,就應更換真空泵油一次,在濕度較大的地區,在潮濕季節工作的泵,或被抽氣體污染很大的,應根據具體情況酌情縮短換油時間。
換油事項如下:
(1)將旋片真空泵拆除真空系統,把底盤電機一端墊高些,打開放油塞放油,轉動真空泵、捂住排氣口,使腔內污油全部從放油口放出,再從進氣口處加入新油100—500ml持續轉動5—10轉以上對,內部進行清洗,照此操作3—5次,特污油放清后,再裝上放油塞,將泵放平,從進氣口及加油孔分別加入新油,換油即告完畢。
(2)換油時不宜長久開動電機,以免使排氣閥片跳動過于劇烈和疲勞。
(3)嚴禁用煤油、汽油、酒精等對泵作非拆卸的清洗。
注:旋片式真空泵系列產品換油時最好在油溫降低后進行。
3、如停旋片真空泵時間較長,應取下排氣罩放上排氣塞,封閉進氣口,放凈積水。
|